语言选择: 中文版 line 英文版

吊带吊绳

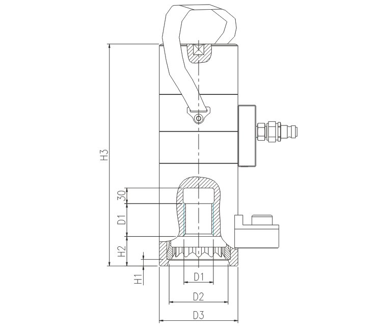
  • 多节螺栓拉伸器
多节螺栓拉伸器

多节螺栓拉伸器

  • 型号:MDS
  • 品牌:JOHA/巨环
  • 生产厂家:泰州巨环起重防护装备有限公司
  • 产品描述:产品描述:该款螺栓拉伸器精确的高,速度快,使用安全,适用性强,一种型号可用于多种规格螺栓拉伸器。适用面广,使用简单方便,配合手动、电动液压泵站使用
  • 手机:18994667955

  • 在线订购 联系我们

联系我们

CONTACT US

联系人:朱经理

手机:18994667955

电话:0523-80836114

邮箱:joha01@tzjuhuan.com

地址: 江苏泰州市海陵区凤凰街道泰白路16号

微信扫描二维码关闭
微信二维码